Haltech ECU Options
The Elite 1500 or 2500 are suitable for this engine
Cylinders
| 4 |
Displacement
| 1AZ 1998cc 2AZ 2362cc |
Firing Order
| 1,3,4,2 |
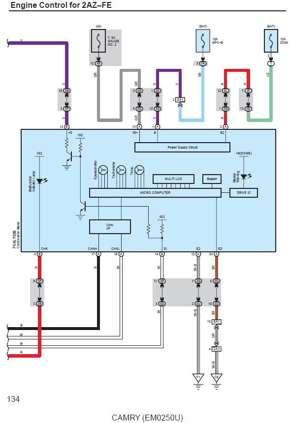
CAN
This vehicles uses CAN bus for various devices throughout the vehicle. This can include the dashboard, ABS, and Body Control. It is NOT supported by the Haltech Elite ECU.
Model Variants
There are a number of variants of the 2AZ-FE engine.
1AZ-FE
2.0L, 9.6:1 comp, intake VVT-i continuous cam timing control, DBW
1AZ-FSE
11.0:1 comp, Direct Injection (D4), NOT SUPPORTED BY HALTECH
2AZ-FE Early
2.4L, 9.6:1 comp
2AZ-FE Late
9.8:1 comp, revised intake cam with more lift and duration, piston oil squirters
2AZ-FSE
11.0:1 comp, Direct Injection (D4), NOT SUPPORTED BY HALTECH
2AZ-FXE
12.5:1 comp, Atkinson cycle, new pistons and intake cam, used in Hybrid vehicles, NOT SUPPORTED BY HALTECH
Crank/Cam Sensor
This engines uses a Crank Position Sensor and a Cam Position Sensor. The crank trigger has 36x teeth with a 2x teeth missing gap and is located on the front of the crankshaft behind the drive pulley. The cam trigger has 3x teeth on the end of the intake camshaft.
2AZ Crank Trigger
2AZ Cam Trigger
Crank Sensor
A Reluctor crank position sensor is used. Unlike most Toyota wiring looms this model has a separate crank sensor ground all the way to the ECU.
Pin
| Description
| Haltech Connection (Trigger 4-core)
|
1 (Red)
| Reluctor +
| Yellow (Trigger+)
|
2 (White)
| Reluctor -
| Green (Trigger-)
|
Cam Sensor
A Reluctor cam sensor is used. Unlike most Toyota wiring looms this model has a separate cam sensor ground all the way to the ECU.
Pin
| Description
| Haltech Connection (Home 4-core)
|
1
| Reluctor +
| Yellow (Home+)
|
2
| Reluctor -
| Green (Home-)
|
Ignition Coils and Igniter
The ignition coils feature an internal igniter. These can be wired directly to the ECU.
| Pin | Description | Haltech Connection |
| 1 | 12V+ Switched | --- |
| 2 | IGF (Fault Signal) | --- |
| 3 | ECU Signal | Ignition Output |
| 4 | Ground to Cylinder Head | ---
|
Dwell Time

DBW Throttle System
This engine uses a single Drive By Wire throttle body.
DBW Throttle Wiring
Pin
| Description
| Haltech Connection
|
1
| Motor - | DBW-2 (Brown/Red) |
2
| Motor + | DBW-1 (Brown/Black) |
| 3 | Signal Ground | Signal Ground (Black/White) |
4 | TPS2 | AVI-2 (Orange/Black) |
| 5 | 5V+ | 5V+ (Orange) |
6 | TPS2 | AVI-3 (Orange/Red) |
DBW Accelerator Pedal Position Sensors Connection
Pin
| Description
| Haltech Connection
|
1
| 5V+2 | 5V+ (Orange) |
2
| Signal Ground2 | Signal Ground (Black/White) |
3
| APP2 | AVI-5 (Orange/Green) |
4
| 5V+1 | 5V+ (Orange) |
5
| Signal Ground1 | Signal Ground (Black/White) |
6
| APP1 | AVI-4 (Orange/Yellow) |
MAP Sensor
These engines do not come with a MAP sensor.
Use the internal MAP sensor that comes with your ECU. For higher boost levels an external MAP sensor should be used instead, connected to a spare AVI.
If preferred you can use the internal MAP sensor that comes with your ECU. For higher boost levels an external MAP sensor should be used instead, connected to a spare AVI.
Variable Cams
This engine comes with continuously variable cam timing on the intake camshaft. This is supported by the Haltech Elite ECU.
Idle Control
This engine uses the Drive By Wire Throttle to control idle speed.
Coolant Temperature
Wiring is not polarity sensitive
Pin
| Haltech Connection
|
| 1 | Any Spare AVI*
|
| 2 | Signal Ground
|
An AVI with a selectable Pullup should be used. If not and external 1k pullup to 5V should be connected.
Air Temp
An Inlet Air Temperature Sensor is incorporated in the MAF Sensor on this engine. See the MAF Sensor section for wiring information. If the MAF has been deleted a replacement Air Temperature Sensor should be installed in the inlet as close as possible to the vacuum source for the MAP sensor. The Haltech HT-010206 is suitable for this.
Haltech HT-010206 Air Temperature Sensor
Wiring is not polarity sensitive.
Pin
| Haltech Connection
|
| 1 | Any Spare AVI*
|
| 2 | Signal Ground
|
An AVI with a selectable Pullup should be used. If not and external 1k pullup to 5V should be connected.
Knock Sensor
This engine comes with a non-resonant style knock sensor and this can be used with your Elite 1000, 1500, 2000, or 2500 ECU.
Pin
| Haltech Connection
|
1
| Knock Signal
|
2
| Signal Ground
|
MAF Sensor
Although most users of Haltech ECUs will be deleting the MAF, it is possible to use a MAF if you prefer.
Pin
| Description
| Haltech Connection |
1
| Air Temperature Signal
| Spare AVI (AVI-7 Grey) |
2
| Air Temperature Ground
| Signal Ground (Black/White) |
3
| 12V+ Switched | --- (Grey/Red) |
4
| MAF Signal Ground | Signal Ground (Black/White) |
| 5 | MAF Signal | Spare AVI |
O2 Sensors
This engine has Narrow Band O2 sensors. Although they can be used for light load tuning for Lambda 1.0, they cannot be used for tuning under power.
Adding a Haltech Single-Channel Wideband WB1 Kit (highly recommended)
For correct operation a Haltech WB1 kit is highly recommended for this application, with the provided 4.9 sensors replacing the pre-cat sensors. Sensors use a 22mm socket or spanner to remove and replace.
Alternator Control
This engine has an Alternator that requires a signal from the ECU to control the charging voltage.
Injector Data
Flow
The injector flow rate is measured with the injectors held wide open at 100% duty. For fuel systems with a fixed regulator pressure (often returnless systems) that is not referenced to manifold pressure the flow needs to be mapped over Manifold Pressure for accurate tuning.
Injector Flow: ~370 cc/min
Dead Time
When an injector is commanded to open for a certain amount of time, the dead time is the amount of time the injector is not actually open during this period. It covers the time to energise the solenoid and begin to open and the time to close as well. There are also transient periods during which the injector is opening and closing where fuel flow is not at full capacity so this lost peak flow period is also taken into account.
Location
The OEM ECU is located in the engine bay above the gearbox.
ECU Pinout