Information on the Toyota 3SGE and 3SGTE engines
Toyota MR2 3SGTE engine
The Toyota 3SGE BEAMS engine
Cylinders
| 4
|
Displacement
| 1998cc
|
Firing Order
| 1,3,4,2
|
Cylinder Orientation (from drivers seat)
| Cyl1 closest to timing belt
|
Model Variants
3S-GE Non-Turbo
Generation
| Year Range
| Identifiable Differences
|
Gen 1
| 1984 - 1989
| Distributor ignition, T-VIS, 9.2:1 comp
|
Gen 2
| 1990 - 1993
| Distributor ignition, No T-VIS. ACIS intake added. 10.0:1 comp
|
Gen 3
| 1994 - 1999
| Distributor ignition, 10.3:1 comp
|
Gen 4 (red top and grey top)
| 1997
| Direct Fire Ignition, BEAMS VVTi intake only, cable throttle, 11.1:1 comp
|
Gen 5 (black top)
| 1998
| Direct Fire Ignition, BEAMS VVTi intake and exhaust, ETCSi Throttle, 11.5:1 comp, returnless fuel
|
BEAMS - Breakthrough Engine with Advanced Mechanism System
3SGTE Turbo
Generation
| Year Range
| Identifiable Differences
|
Gen 1
| 1986 - 1989
| Distributor ignition, T-VIS, MAF, 8.5:1 comp, top-feed 430cc injectors, no BOV, single entry turbo, water-air intercooler, ~9psi boost
|
Gen 2
| 1990 - 1993
| Distributor ignition, T-VIS, MAF, 8.8:1 comp, side-feed 430cc injectors, BOV on MR2 models, twin entry turbo with dual wastegate ports, air-air intercooler, ~11psi boost
|
Gen 3
| 1994 - 1999
| Distributor ignition, No T-VIS, No MAF, 8.5:1 comp, top-feed 540cc injections, BOV added, CT20B turbo, ~13psi boost
|
Gen 4
| 1997 - 2001
| Direct Fire ignition, No T-VIS, 9.0:1 comp, CT15B Turbo with integrate manifold, top-feed 550cc injectors, air-air intercooler, side-feed intake manifold, stronger crank with nitriding
|
Gen 5
| 2002 - 2007
| Direct Fire ignition, No T-VIS, 9.0:1 comp, CT15B Turbo with integrate manifold, extended top-feed 550cc injectors, air-air intercooler, centre-feed intake manifold, oil filler moved to exhaust cam cover side, no oil cooler, factory OBD2 support, stronger crank with nitriding
|
Distributor
The 3SG engine with Distributor ignition all use the same trigger system which includes a 24x Reluctor for trigger and dual 1x sensors for sync.
DISTRIBUTOR WIRING


All models use Reluctor sensors negative sides joined to a common signal ground wire. This is called G- on these models.
OEM Wire Colour
| Signal Name
| Description
| Haltech Wiring
|
Black
| NE
| 24x signal
| Trigger +
|
Green
| G1
| 1x signal
| Home +
|
White
| G2
| 1x signal + 360deg
| No connection
|
Red
| G-
| Signal Ground
| Signal Ground
|
Crank Trigger Models without BEAMS
The crank trigger models without BEAM use a 36-2 (36 teeth with 2x missing) tooth wheel with a reluctor sensor.
On the cam is a single tooth reluctor sensor pickup.
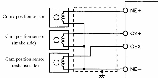
Crank Trigger Models with BEAMS
The crank trigger models that have BEAMS use a 36-2 (36 teeth with 2x missing) tooth wheel with a reluctor sensor.
Both cams have a 3-tooth reluctor sensor pickup.
All crank and cam sensors have their negative side joined to a common wire. OEM calls this NE- on this particular model.
Factory Connection
| Haltech Connection
|
NE+ Crank
| Trigger + (Yellow in Trigger 4-core)
|
G2+ Intake Cam
| Home + (Yellow in Home 4-core)
|
GEX Exhaust Cam
| Any Spare SPI
|
NE-
| Signal Ground (Blue in Trigger 4-core)
|
Common 3SG Trigger Issues
It is a common issue to see 3SG Reluctor trigger systems (along with other similar models, 4AG, etc..) to be biased towards the negative side of 0V, usually crossing at -0.25V.
To ensure correct operation it is often necessary to use a customer trigger configuration as below.
Trigger Configuration - 3SG Distributor Models
Trigger Configuration - 3SGTE Gen 4-5
Trigger Configuration - 3SGE BEAMS
Ignition System
Distributor Igniter
The distributor models use an external igniter. The igniter has the wiring connection listed on the underside of the connector.
Label
| Function
| OEM Wire Colour
| Haltech Connection
|
C
| Coil -
| Black/White
| No Connection
|
EXT
| Tacho
| Black
| No Connection
|
B
| Coil +
| Black/Red
| No Connection
|
T
| IGT
| White
| Ignition Output#1
|
F
| IGF
| White/Red
| No Connection
|
3SGTE Ignition Coil
Direct Fire Coils
All models with Direct Fire ignition feature coils with internal igniter modules.
Dwell Time
Distributor Models
Direct Fire Models
Throttle Position Sensor
3SGTE Gen 4 TPS
MR2 TPS Wiring
Pin
| OEM Wire Colour
| Description
|
1
| Brown
| Signal Ground
|
2
| Purple
| Idle Switch - Not Used
|
3
| White
| TPS Signal
|
4
| Red/Blue
| 5V+
|
MAP Sensor
From Gen 3-on the 3SGTE came with a MAP sensor. They will read up to 126kpa of boost pressure, and typically are swapped for a higher reading MAP sensor. Using the internal Haltech MAP sensor is often a better choice.
Gen 3 MAP sensor
Gen 4 MAP sensor
OEM Label
| Pin
| Description
|
E2
| 1 - Brown
| Signal Ground
|
PIM
| 2 - Yellow
| Signal
|
VC
| 3 - Light Green/Red
| 5V+
|
Calibration: Use "xxxxxxxx.cal"
MAF Sensor
Early models used a Mass Air Flow Sensor for engine load calculation. This can be used with a Haltech ECU however most tuners will remove it and move to MAP sensor operation, the same as Toyota did for Gen 3 to 5 models.
OEM Label
| Description
| Haltech Connection
|
1 - No Connection
| --- | --- |
2 - No Connection
| --- | --- |
3 - No Connection
| --- | --- |
4 - VC (Red/Blue)
| 5V+ | 5V+ |
5 - E2 (Brown)
| Signal Ground | Signal Ground |
6 - VS (Yellow/Blue)
| MAF Signal | AVI |
7 - THA1 (Black)
| Air Temperature Signal | AVI |
Idle Control
The 3SG engine uses a dual-solenoid system. This uses 2x ECU outputs and a 12V+ power supply. It natively sits half-open, one signal opens the valve, the other closes it from there.
It is configured in the software as a BAC 3-wire with the Type as Bi-Directional.
Pin
| Function
| Haltech Connection
|
1
| Open Signal
| Spare Output
|
2
| Power
| 12V+ Switched
|
3
| Close Signal
| Spare Output
|
Some models incorporate a second idle control valve that is simply an on/off solenoid, and is activated when Air Conditioning is being used. This can be configured as a Generic Output that is on whenever A/C Output is On.
Coolant Temperature Sensor
Located near the top radiator hose housing.
Wiring is not polarity sensitive
Calibration: Use "Temperature - Toyota 1FZ-FE Coolant Sensor.cal"
Created for Haltech ECUs using a 1k pullup to 5V
Air Temperature Sensor
Models with a MAF Sensor have the Air Temp Sensor as part of the MAF.
For MAP sensor models the inlet air temp sensor is located in the airbox.
Both locations are not ideal for high performance application and the sensor should be swapped for a screw-in type and located after the intercooler, preferably in the intake plenum near the MAP sensor connection.
Wiring is not polarity sensitive.
Calibration: Use "Temperature - xxxxxx.cal"
Created for Haltech ECUs using a 1k pullup to 5V
MR2
The ECU is located in the boot/trunk on the firewall.
Celica