CA18 Engine

CA18 Engine

Information on the Nissan CA18DET engine. Although other variants exist, only the Turbo model is being covered in this guide.






Haltech ECU Options

All Elite ECU models are capable of running this engine.





General Information

Cylinders
4
Displacement
1809 cc / xx ci
Firing Order
1,3,4,2







Model Variants

There are 2x variants of the NIssan CA18DET engine.

Early

4-port intake head, T25 Turbo

Late

8-port intake head, different intake manifold lower section, bigger diameter head bolts











Sensor Information

Crank/Cam Sensor

This engines uses a Crank Position Sensor and a Cam Position Sensor combined in a single unit often referred to as a CAS.  This is located on the front of the cylinder head and is driven by the exhaust camshaft.  Inside the unit is a disc with a 360x tooth pattern on the outside, and a 4x tooth pattern with different sized teeth on the inside. The number of 360x teeth that occur while one of the 4x teeth signals is being received are what differentiates which cylinder is firing.  Two optical (Hall Effect) sensors are used and are part of a single sensor unit.



  



Wiring



Pin
Description
Haltech Connection
A
Signal Ground
Blue in Trigger 4-core
B
12V+ Switched
Red in Trigger 4-core
C
360x (Home+)
Yellow in Home 4-core
D
4x (Trigger+)
Yellow in Trigger 4-core

Trigger and Home Wiring Hack

A common hack to make wiring simpler is to do the following:

In the Grey shielded Trigger 4-core cable we have 12V+, Signal Ground, Trigger+, and Trigger-.   We need all of these wires except for Trigger-
In the Grey/Black shielded Home 4-core cable we only need the Home+
If we relocate the Green Trigger- wire so that instead of going to this ECU pin it instead goes to the Home+ ECU pin we now have all of the wires we require in a single 4-core cable.

For Elite 550 / 750 / 950
1. Remove the Yellow wire from ECU pin A32 and insulate it. It will not be used.
2. Remove the Green wire from ECU pin A33 and move it to A32.

For Elite 1000 / 1500 / 2000 / 2500
1. Remove the Yellow wire from ECU pin B2 and insulate it. It will not be used.
2. Remove the Green wire from ECU pin B5 and move it to B2.




Trigger Configuration












Ignition Coils and Igniter

Very early models used Waste Spark for ignition.  Late models moved to direct fire ignition with a coil on each spark plug.  Both types use an external igniter module.  Both also use Constant Charge with a Falling edge.

Early Waste Spark


ECU Wiring
Pin
Description
Haltech Connection
1
ECU Signal Cyl 1+4
Ignition Output 1
2
ECU Signal Cyl 2+3
Ignition Output 2






Late Direct Fire






PinDescription
1Igniter Module Signal
212V+ Switched
3Ground (to head)









  


Pin
Description
Haltech Connection
A
Ground to Cylinder Head
---
B
---
---
C
Signal for Cylinder 3
Ignition Output 3
D
Signal for Cylinder 1
Ignition Output 1
E
Signal for Cylinder 4
Ignition Output 4
F
Signal for Cylinder 2
Ignition Output 2



Haltech HPI Igniter

A Haltech HPI 4igniter is recommended for this application if the OEM igniter is not available.

    

See the Haltech HPI Quick Start Guide for wiring information on these igniters.




Dwell Time

Suggested dwell time for CA18 Ignition Coils













Throttle Position Sensor

This engine uses a cable operated throttle body with a position sensor. The sensor connection is via the cable connector and not directly on the sensor itself.





Wire Colour
Description
Haltech Wiring
Red5V+5V+ Orange
WhiteSignalAny Spare AVI (AVI-10 White)
BlackGroundSignal Ground Black/White









MAP Sensor

These engines do not come with a MAP sensor.
Use the internal MAP sensor that comes with your ECU.  For higher boost levels an external MAP sensor should be used instead, connected to a spare AVI.











Idle Valve

This engine uses a 2-pin BAC (Bypass Air Control) Valve which is duty controlled by the ECU via 1x output.  
The larger solenoid is for idle control and is supplied a duty signal from the ECU.  Nissan calls this the IACV-AAC (idle Air Control Valve - Auxiliary Air Control) solenoid.

The smaller solenoid is wired to the A/C Output and is simply switched on an off with the A/C clutch. It has a permanent ground and 12V+ is supplied from the A/C Relay to switch it on an off. Nissan calls this the IACV-FICD (Idle Air Control Valve - Fast Idle Control Device) and it is not wired to your Haltech ECU.












Variable Intake Runner Control (8-port models)

The CA18DET has a Variable Intake Butterfly Control system.  For every cylinder there are 2x intake runners.  Below 3800rpm one of the runners is closed to improve low speed engine response.
The system uses an actuator that is supplied vacuum from a vacuum tank via a control solenoid which is in turn controlled by the ECU with a simple On/Off signal.  This can be controlled by your Elite ECU using the Dual Intake Runner Function.















Coolant Temperature

Located on the intake manifold near to the front of the engine



Wiring is not polarity sensitive
Pin
Haltech Connection
1
Any Spare AVI*
2
Signal Ground
An AVI with a selectable Pullup should be used.  If not and external 1k pullup to 5V should be connected.

Calibration: Use "Temperature - xxxxxxx.cal"
Created for Haltech ECUs using a 1k pullup to 5V





Air Temperature

This engine does not come with an Air Temperature Sensor.  When using a Haltech ECU and air temperature sensor should be added to the intake as close to the MAP sensor location as is possible.

HT-010206 Air Temperature Sensor


Wiring is not polarity sensitive.
Pin
Haltech Connection
1
Any Spare AVI*
2
Signal Ground
An AVI with a selectable Pullup should be used.  If not and external 1k pullup to 5V should be connected.










Knock Sensor

The CA18 has an old-style non-resonant sensor.  These are prone to failure and are not so usable with a modifed engine. Consider swapping it for a more modern non-resonant "donut" style sensor.

CA18 Knock Sensor

Haltech Knock Sensor (HT-011100)

Pin
Haltech Connection
1
Knock Signal
2
Signal Ground









MAF Sensor

Although most users of Haltech ECUs will be deleting the MAF, it is possible to use a MAF if you prefer.



Pin
Description
Haltech Connection
1
No Connection
---
2
12V+ Switched
---
3
Sensor Ground
Sensor Ground Black/White
4
Signal 0-5V
Any Spare AVI








O2 Sensor

The CA18 comes with a 3-wire narrow band O2 sensor.  


O2 Sensor Wire Colours
Description
Haltech Connection
RedHeater Power 12V+ Switched---
White
Signal
AVI-1 or AVI6
BlackHeater Ground (Chassis)---  (Heater Duty)

If O2 heater control is not required or OEM wiring is being used, then the Heater Ground is connected to the chassis.

It is possible for the ECU to supply a duty signal to the Heater Ground, with many OEM ECUs doing this.  Haltech ECUs can also perform this task and a spare Injector or Stepper Output should be used.
O2 Sensors can use various wattage heater elements, with 12W and 18W being common.  For 18W units it is advised to not supply more than ~50% duty to prevent excessive current being applied to the ECU output.


For correct operation a Haltech WB1 kit is highly recommended for this application, with the provided 4.9 sensors replacing the pre-cat sensors.  Sensors use a 22mm socket or spanner to remove and replace.










Vehicle Speed Sensor

This engine uses a Reluctor Vehicle Speed sensor. The signal is sent to the dashboard where it drives the Speedometer directly. The Speedometer then sends out a digital Hall Effect style signal to the ECU.








Injector Data

Flow

The injector flow rate is measured with the injectors held wide open at 100% duty.  For fuel systems with a fixed regulator pressure (often returnless systems) that is not referenced to manifold pressure the flow needs to be mapped over Manifold Pressure for accurate tuning.

Injector Flow Rate: 370cc/min


Dead Time

When an injector is commanded to open for a certain amount of time, the dead time is the amount of time the injector is not actually open during this period.  It covers the time to energise the solenoid and begin to open and the time to close as well.  There are also transient periods during which the injector is opening and closing where fuel flow is not at full capacity so this lost peak flow period is also taken into account.  














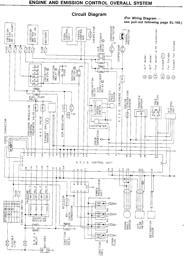
OEM ECU Information


   

Location

Loacted in the passenger (LHS) footwell kick panel.






ECU Pinout






   






Base Maps

Base maps have been created for use with the Haltech Elite Adapter Harnesses.  

To use these maps they should be IMPORTED into your ECU.  Follow the IMPORTING A BASE MAP guide.



    • Related Articles

    • Engine Functions

      This page is used to enable and disable any Engine Function nodes in the Navigation Tree.  Function names can be clicked on to navigate to that functions relevant tree node. Any errors will be highlighted in red for your attention. 
    • Engine Configuration

      Engine Configuration The Engine Configuration node contains basic configuration information about your engine. Engine Information Engine Capacity The Displacement of the engine. The units for Displacement are selected in the NSP software under ...
    • Mapping an Engine

      Mapping the engine involves filling the look-up tables with the correct values for your engine. The tables are calibrated for an engine by adjusting the values of the cells within the tables. WARNING Driving a vehicle over time, on poorly tuned maps ...
    • Engine

      This section will guide you through setting up the software and calibrating the necessary values to enable you to start your engine and achieve a steady idle. By the end of this section, the vehicle will not be ready to be driven, but will be ready ...
    • Engine Control Relay ( ECR )

      The engine control relay is the main relay that is used to enable and disable power to the engine management components. The Elite 2500 has one dedicated engine control relay output (DPO 6 (Black/Red)) capable of sinking 1A Max current ( ie 5 x 80 ...