G13B Engine

G13B Engine

Information on the Suzuki G13B engine, as found in the Suzuki Swift GTI / Cultus.









Haltech ECU Options

All Elite models can run this engine.





General Information

Cylinders
4
Displacement
1298 cc / 79 ci
Firing Order
1,3,4,2
Cylinder Orientation
Cylinder 1 located near timing belt







Sensor Information

Distributor

A Reluctor trigger is used inside the distributor.  The pattern however is unique to only this engine type.  It has a total of 12x teeth with no differentiating pattern to tell the ECU which cylinder is firing.  This pattern is not directly supported by any Haltech ECU models and requires modification to be supported. 




Tooth Pattern Modification

 The G13B tooth pattern required modification to be supported.  The modification involves the removal of the B and C teeth (from the diagram above) for each of the 4 groups of 3 teeth.  This will leave behind only the 4x large teeth.


Distributor Reluctor Wiring

Wire Colour
Description
Haltech Connection (Trigger 4-core)
RedReluctor +
Yellow
Green
Reluctor -
Green



Configuration








Ignition Coil and Igniter

The ignition coil on this engine has an external igniter module.  





Pin
Description
IBECU Ignition Output
GGround (to cylinder head)
OCCoil -ve (Output to Coil)

It uses Constant Charge with a Falling edge.




Dwell Time









Throttle Position Sensor

This engine uses a cable operated throttle body with a position sensor.


OEM Wiring
Haltech Wiring
Pin 1
5V+
Pin 2
Signal
Pin 3
Signal Ground
Pin 4
Not Used (closed throttle switch)





MAP Sensor

These engines do not come with a MAP sensor.
Use the internal MAP sensor that comes with your ECU.  For higher boost levels an external MAP sensor should be used instead, connected to a spare AVI.











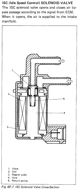
Idle Valve

This engine uses a 2-pin BAC (Bypass Air Control) Valve which is duty controlled by the ECU via 1x output.  it is not polarity dependent. 



2-pin BAC Wiring
PinFunctionHaltech Connection
1Open SignalSpare Output
2Power12V+ Switched







Coolant Temperature

Located near the Thermostat Housing.

Wiring is not polarity sensitive
Pin
Haltech Connection
1Any Spare AVI*
2Signal Ground
An AVI with a selectable Pullup should be used.  If not and external 1k pullup to 5V should be connected.

Calibration: Use "Temperature - xxxxxxx.cal"
Created for Haltech ECUs using a 1k pullup to 5V





Air Temp

This engine does not come with an Air Temperature Sensor.

Wiring is not polarity sensitive.
Pin
Haltech Connection
1Any Spare AVI*
2Signal Ground
An AVI with a selectable Pullup should be used.  If not and external 1k pullup to 5V should be connected.

Calibration: Use "Temperature - xxxxxxx.cal"
Created for Haltech ECUs using a 1k pullup to 5V





MAF Sensor

Although most users of Haltech ECUs will be deleting the MAF, it is possible to use a MAF if you prefer.



Pin
Description
1
No Connection
2
12V+ Switched
3
Sensor Ground
4
Signal 0-5V (AVI)






O2 Sensors

The G13B comes with a heater-less single wire Narrowband O2 sensor.  It is advised to not use this sensor and instead swap the sensor for a Haltech WB1 kit.

For correct operation a Haltech WB2 kit is highly recommended for this application, with the provided 4.9 sensors replacing the pre-cat sensors.  Swapping the sensors is accessed only from below the vehicle.  Sensors use a 22mm socket or spanner to remove and replace.







Vehicle Speed Sensor

This engine uses a Hall Effect Vehicle Speed sensor that is located on the instrument cluster and is driven by a cable.  A single wire is sent out from this to the ECU.







Injector Data

The OEM ECU provides both the 12V+ power and the ground signal to fire the injectors. There are two power pins and two signal pins, however both power supply wires join to a common wire, and both output signal wires join to a common wire, so all injectors will fire together.
It is recommended when wiring your Haltech ECU to run one ECU injector output to one injector.

Flow

The injector flow rate is measured with the injectors held wide open at 100% duty.  For fuel systems with a fixed regulator pressure (often returnless systems) that is not referenced to manifold pressure the flow needs to be mapped over Manifold Pressure for accurate tuning.

Injector flow rate = 200cc/min
Injectors are 2.2ohm so the injector current control should be set to Low.








OEM ECU Information


   

Location

The OEM ECU is located in the Left Hand Side of the dashboard




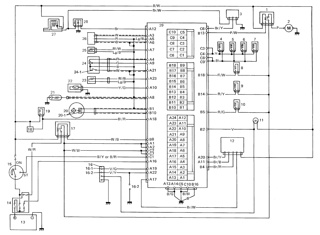
ECU Pinout








   








Base Maps

A base map for an Elite 550 is attached below. 
It was created using the information outlined in this article. 
It is very simply and base off of our Default map. 
Please double check ignition and injection settings before uploading. 
Using the wrong settings can damage hardware or the ECU. 





    • Related Articles

    • Honda / Acura B Series Engine

      The B-Series engine was offered in Integras, Civics, Preludes, Accords, CRXs, Del Sols and CRVs. This engine had 28 different engine codes. The letter B is normally followed by two numbers to designate the displacement of the engine, another letter, ...
    • SR20 Engine

      The Nissan SR20DET, DE, and VE engines SR20DET Turbo SR20DE Aspirated SR20VE Haltech ECU Options ECU Model Plug In Available OEM Functions Not Supported Suitable Installation Type Support Sequential and/or Direct Fire Ignition Platinum Pro S15 ...
    • 3SG Engine

      Information on the Toyota 3SGE and 3SGTE engines Toyota MR2 3SGTE engine The Toyota 3SGE BEAMS engine General Information Cylinders 4 Displacement 1998cc Firing Order 1,3,4,2 Cylinder Orientation (from drivers seat) Cyl1 closest to timing belt  Model ...
    • 4AG Engine

      The Toyota 4AG DOHC 16V engine General Information Cylinders 4 Displacement 1587cc Firing Order 1342 Cylinder Orientation (from drivers seat) Cyl1 closest to timing belt  Model Variants 4AGE 1st gen Blue Early Big Port - USDM Vane MAF, JDM MAP,  ...
    • Rotary Engine

      Mazda Rotary Engine installation and tuning information Engine Information Identification Only turbo models (other than RX8) have been covered. 12A Turbo Available in the JDM RX7 Sereis 3 and some HB Cosmo models. This was a popular easy engine swap ...