Cylinders
| 4
|
Displacement
| 1586 cc
|
Firing Order
| 1,3,4,2
|
CAN
This vehicles uses CAN bus for various devices throughout the vehicle. This can include the dashboard, ABS, and Body Control. The ZC31S Swift Sport CAN system is supported by the Elite 1500 and 2500 ECU models. The ZC32S has not been tested or supported.
Model Variants
There are a number of variants of the <insert engine name> engine.
ZC31S (MY05-11)
11.1:1 comp, chain driven cams, 93kw 148Nm spec, Inlet VVT, DBW
ZC32S (MY11-14)
7200rpm limit, 101kw 160Nm spec
Crank/Cam Sensor
This engines uses a Crank Position Sensor and a Cam Position Sensor. The crank trigger wheel has 36x teeth with one gap of 2x missing teeth, and opposite is two gaps of 2x missing teeth separated by 1x tooth. This pattern is common to many Subaru and Mazda engines. The cam trigger has 6x teeth comprised of 4x equally spaced teeth with 2 lots of 1x extra tooth.
Crank Trigger Wheel
Cam Trigger Wheel
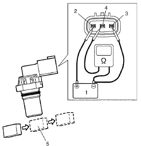
Crank Sensor
A Hall Effect crank position sensor is used. This is located near the alternator.
Pin
| Description
| Haltech Connection (Trigger 4-core)
|
| 2 | 12V+ Switched
| 12V+ (Red)
|
| 3 | Signal Ground
| Signal Ground (Blue)
|
| 4 | Signal
| Trigger+ (Yellow)
|
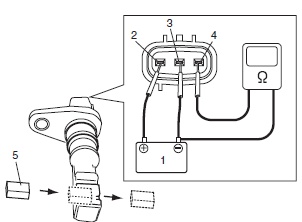
Cam Sensor
A Hall Effect cam sensor is used for both engine sync and for the variable valve timing cam position. This is located on the inlet side towards the gearbox end of the cylinder head.
Pin
| Description
| Haltech Connection (Home 4-core)
|
| 2 | 12V+ | 12V+ (Red)
|
| 3 | Signal Ground | Signal Ground (Blue) |
| 4 | Signal
| Home+ (Yellow)
|
Trigger Configuration
Ignition Coils and Igniter
This engine features waste spark ignition with an ignition coil mounted on the number 4 spark plug with a shared connection to number 1 spark plug, and another coil ont eh number 2 spark plug that is shared with number 3 spark plug. The ignition coils feature an internal igniter and can be wired directly to the ECU.
Pin
| Description
| Haltech Connection |
1 (Black/White)
| 12V+ Switched | --- |
2 (Black/Blue)
| Ground (to cylinder head)
| --- |
3 (Green/White or Green/Yellow)
| Signal
| Ignition Output |
Dwell Time
DBW Throttle System
This engine uses a single Drive By Wire throttle body.
DBW Throttle Wiring
Position Sensors
Pin
| Description
| Haltech Connection
|
Red
| 5V+
| 5V+
|
Green
| TPS1
| AVI-3 (Orange/Red)
|
White
| TPS2
| AVI-2 (Orange/Black)
|
| Black | Signal Ground
| Signal Ground
|
Drive Motor
Pin
| Description | Haltech Connection
|
Light Green/Red
| Motor+ | DBW1 (Brown/Black)
|
Light Green/Black
| Motor- | DBW2 (Brown/Red)
|
DBW Accelerator Pedal Position Sensors Connection
Pin
| Description
| Haltech Connection
|
| Brown | 5V+ | 5V+ (Orange) |
| Green | APP1
| AVI-4 (Orange/Yellow)
|
Blue
| Signal Ground
| Signal Ground (Black/White)
|
| Red | 5V+
| 5V+ (Orange)
|
| Yellow | APP2
| AVI-5 (Orange/Green)
|
| White | Signal Ground | Signal Ground (Black/White) |
MAP Sensor
This vehicle comes with a MAP sensor. This is located in the inlet plenum.
Pin | Description | Haltech Connection |
1 | Vin 5V+ | 5V+ (Orange) |
2 | Ground | Signal Ground (Black/White) |
3 | Vout Signal | Spare AVI (AVI-9 Yellow) |
MAP sensor calibration
If preferred you can use the internal MAP sensor that comes with your ECU. For higher boost levels an external MAP sensor should be used instead, connected to a spare AVI.
Variable Cams
This engine has contuously variable inlet cam timing. This is supported by the Haltech ECU via the Cam Control function.
Idle Valve
This engine uses the Drive By Wire Throttle to control idle speed.
Coolant Temperature
Wiring is not polarity sensitive
Pin
| Haltech Connection
|
1
| Any Spare AVI*
|
2
| Signal Ground
|
An AVI with a selectable Pullup should be used. If not and external 1k pullup to 5V should be connected.
Air Temp
The Inlet Air Temperature Sensor is incorporated in the MAF sensor unit. See the MAF Sensor section for wiring information.
Knock Sensor
This engine uses an older style single wire resonant knock sensor. They are prone to failure and become inaccurate if teh engine is heavily modified. It is recommended if issues are experienced to swap the sensor for a donut style non-resonant sensor.
MAF Sensor
Although most users of Haltech ECUs will be deleting the MAF, it is possible to use a MAF if you prefer.
Pin
| Description
| Haltech Connection |
1
|
|
|
2
|
|
|
3
|
|
|
4
|
|
|
5 | 12V+ Switched | --- (grey/red) |
O2 Sensors
This engine has Narrow Band O2 sensors and although they can be used with an Elite ECU they are not so useful for tuning purposes.
Adding a Haltech Single-Channel Wideband WB1 Kit (highly recommended)
For correct operation a Haltech WB1 kit is highly recommended for this application, with the provided 4.9 sensors replacing the pre-cat sensors. Sensors use a 22mm socket or spanner to remove and replace.
Vehicle Speed Sensor
This engine receives vehicle speed data over CANbus, but also some variants are reported to have a Hall Effect sensor pickup.

Pin | Description | Haltech Connection |
2 | 12V+ | --- (Grey/Red) |
3 | Signal Ground | Signal Ground (Black/White) |
4 | Signal | Spare SPI |
Alternator Control
This engine has an alternator that allows the ECU to control the charging voltage. This is controlled via a low side signal from any spare output.
Injector Data
Flow
The injector flow rate is measured with the injectors held wide open at 100% duty. For fuel systems with a fixed regulator pressure (often returnless systems) that is not referenced to manifold pressure the flow needs to be mapped over Manifold Pressure for accurate tuning.
Dead Time
When an injector is commanded to open for a certain amount of time, the dead time is the amount of time the injector is not actually open during this period. It covers the time to energise the solenoid and begin to open and the time to close as well. There are also transient periods during which the injector is opening and closing where fuel flow is not at full capacity so this lost peak flow period is also taken into account.
Location
The ECU is located in the engine bay
ECU Pinout
Base Maps
Base maps have been created for use with the Haltech Elite Adapter Harnesses. Platinum Pro - Maps come with the ECU Manager Software.
Where applicable those maps are attached below.
To use these maps they should be IMPORTED into your ECU. Follow the IMPORTING A BASE MAP guide.