TB48 Engine

TB48 Engine

Information on the Nissan TB48DE engine






Haltech ECU Options

Supported as a plug in with the Platinum Pro Y61 ECU (Note: this ECU is no longer sold by Haltech).

Engine is supported by wiring in an Elite 750 or Elite 2500.






General Information

Cylinders
6
Displacement
4759 cc / 290 ci
Firing Order
1,5,3,6,2,4
Cylinder Orientation
Cylinder 1 is at the front of the engine

9.0:1 Compression Ratio


Common Models
Found only in the Nissan Patrol Y61 from 2001-onwards







Sensor Information

Crank/Cam Sensor

This engines uses a Crank Position Sensor and a Cam Position Sensor located in the one single unit on the front of the engine attached to the exhaust camshaft.



Pin
Description
Haltech Connection 
1 - Blue
6x (120deg)
Trigger + (Yellow in Trigger 4-core)
2 - Black/White
360x (1deg)
Home + (Yellow in Home 4-core)
3 - Black/Red
12V+
12V+ ( Red in Trigger 4-core)
4 - Black
Ground
Signal Ground (Blue in Trigger 4-core)

Trigger and Home Wiring Hack

A common hack to make wiring simpler is to do the following:

In the Grey shielded Trigger 4-core cable we have 12V+, Signal Ground, Trigger+, and Trigger-.   We need all of these wires except for Trigger-
In the Grey/Black shielded Home 4-core cable we only need the Home+
If we relocate the Green Trigger- wire so that instead of going to this ECU pin it instead goes to the Home+ ECU pin we now have all of the wires we require in a single 4-core cable.

For Elite 550 / 750 / 950
1. Remove the Yellow wire from ECU pin A32 and insulate it. It will not be used.
2. Remove the Green wire from ECU pin A33 and move it to A32.

For Elite 1000 / 1500 / 2000 / 2500
1. Remove the Yellow wire from ECU pin B2 and insulate it. It will not be used.
2. Remove the Green wire from ECU pin B5 and move it to B2.





Trigger Configuration









Ignition Coils

The TB48 engine has direct fire ignition.  The ignition coils feature an internal igniter and these can be wired directly to the ECU.  



Pin
Description
1
ECU Ignition Output
2
Ground (to cylinder head)
3
12V+ Switched

Set to Constant Charge, Falling edge.




Dwell Time

Suggested dwell time








DBW Throttle System

The automatic transmission versions of the TB48 engine use an electronic control throttle body.  This is not supported by Haltech.




Throttle Position Sensor

The manual transmission versions of the TB48 engine use a cable operated throttle body with a position sensor.



Pin
Haltech Wiring
Pin 1 - Black
Signal Ground
Pin 2 - Green
Signal
Pin 3 - Yellow
5V+

Pins 4, 5, and 6 are closed and full throttle switches and are not used by the Haltech ECU 



MAP Sensor

These engines do not come with a MAP sensor.
Use the internal MAP sensor that comes with your ECU.  For higher boost levels an external MAP sensor should be used instead, connected to a spare AVI.









Variable Cams

The TB48 has a switched variable inlet cam that advances the cam when the solenoid is activated.  This is disabled at low rpm, enabled through the mid-range, and disabled again at high RPM.






Variable Intake Length

The TB48 has a variable intake system labeled by Nissan as VIAS (Variable Induction Air Control). The ECU switches on or off the solenoid which provides vacuum to a diaphragm which opens the intake control power valve.  This is switched on typically at 2000rpm and off again at 3600rpm.
 





Idle Valve

This engine uses a Stepper Motor idle valve controlled via the Stepper Outputs.  It will not work on Elite 550/750/950 ECU models.


6-pin Stepper Motor
Pin
Haltech Connection
1
Stepper 4
2
12V+ Ign Switch or No Connection
3
Stepper 3
4
Stepper 2
5
12V+ Ign Switch or No Connection
6
Stepper 1
Drive Type: Low Side if 12V+ is connected. Both if 12V+ is not connected
Steps:160     Speed:75






Coolant Temperature



Wiring is not polarity sensitive
Pin
Haltech Connection
1
Any Spare AVI*
2
Signal Ground
An AVI with a selectable Pullup should be used.  If not and external 1k pullup to 5V should be connected.

Calibration: Use "Temperature - NIssan TB45.cal"
Created for Haltech ECUs using a 1k pullup to 5V





Air Temp

The TB48 does not come with an Air Temp Sensor.  A Haltech Air Temp Sensor should be added.

Haltech 1/8" NPT Air Temp Sensor


Wiring is not polarity sensitive.
Pin
Haltech Connection
1
Any Spare AVI*
2
Signal Ground
An AVI with a selectable Pullup should be used.  If not and external 1k pullup to 5V should be connected.

Calibration: Use "Temperature - GM Air Sensor.cal"
Created for Haltech ECUs using a 1k pullup to 5V





Knock Sensor

The TB48 has 2x knock sensors located on the inlet side of the engine block. OEM Knock sensors are polarity dependent. They also internally link the ground to the engine block which is bad for signal ground integrity and it is recommended to exchange the sensor for a Haltech unit. In the Nissan wiring there is no connection to pin 1.



Pin
Haltech Connection
1
No Connection
2
Signal





MAF Sensor

Although most users of Haltech ECUs will be deleting the MAF, it is possible to use a MAF if you prefer.


Pin
Description
1 (QA+)
Signal (AVI
2 (AVCC)
5V+
3 (QA-)
Sensor Ground
4 (Battery)
12V+

No Connection






O2 Sensors

The TB48 has 2x narrow band 3-wire O2 Sensors.  These do not have a Signal Ground but are a heated type.


O2 Sensor Wire Colours
Haltech Connection
Blue (Signal)
AVI 1 or AVI 6
Black
12V+ Switched
Black
Chassis Ground (not Signal Ground) or Spare Output
It is possible for the ECU to supply a duty signal to the Heater Ground, with many OEM ECUs doing this.  Haltech ECUs can also perform this task and a spare Injector or Stepper Output should be used.
O2 Sensors can use various wattage heater elements, with 12W and 18W being common.  For 18W units it is advised to not supply more than ~50% duty to prevent excessive current being applied to the ECU output.

For correct operation a Haltech WB2 kit is highly recommended for this application, with the provided 4.9 sensors replacing the pre-cat sensors.  Swapping the sensors is accessed only from below the vehicle.  Sensors use a 22mm socket or spanner to remove and replace.







Vehicle Speed Sensor

This engine uses a Reluctor Vehicle Speed sensor. The sensor is connected to the OEM Unified Meter Control Unit and this then sends a digital Hall Effect style signal to the OEM ECU.
If connected to the original Y61 Patrol the Speed Signal can be connected to any Spare DPI or SPI.

Reluctor Speed Sensor Direct Wiring
OEM Wiring
Description
Signal +
Any Spare SPI
Signal -
Signal Ground
DPI cannot be used with Reluctor Signals. The ECU model must have an SPI available.

Approximate Calibration Pulses Setting: xxxx pulses/km





Injector Data

Wiring

Elite 550/1000/1500 - These ECU models do not support sequential injection on a 6-cylinder, so injector outputs need to be paired. 
The suggested pairing should be:
Haltech Connection
Injectors to Connect
Injector Output 1
1+6
Injector Output 2
2+5
Injector Output 3
3+6


Elite 750/950/2000/2500 - Wire injector output number to cylinder number.  i.e. 1 goes to 1, 2 goes to 2, etc..


Flow

The injector flow rate is measured with the injectors held wide open at 100% duty.  For fuel systems with a fixed regulator pressure (often returnless systems) that is not referenced to manifold pressure the flow needs to be mapped over Manifold Pressure for accurate tuning.

These engines have 380cc/min injectors

Dead Time

When an injector is commanded to open for a certain amount of time, the dead time is the amount of time the injector is not actually open during this period.  It covers the time to energise the solenoid and begin to open and the time to close as well.  There are also transient periods during which the injector is opening and closing where fuel flow is not at full capacity so this lost peak flow period is also taken into account.  










OEM ECU Information





Location

The ECU is located on the transmission tunnel behind the centre console.




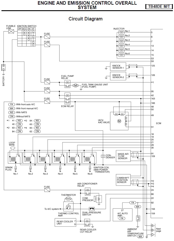
ECU Pinout


 






Base Maps


Platinum Pro - Maps come with the ECU Manager Software.





Installation Pack

Downloadable zip file that has wiring information and base maps. Everything needed for someone to do an installation and startup.

Coming soon...




    • Related Articles

    • Engine Functions

      This page is used to enable and disable any Engine Function nodes in the Navigation Tree.  Function names can be clicked on to navigate to that functions relevant tree node. Any errors will be highlighted in red for your attention. 
    • TB42 Engine

      Information on the Nissan TB42E engine Haltech ECU Options Supported with a Plug 'N' Play adaptor harness using an Elite 750 or Elite 2500 ECU for a Nissan Patrol Y60 model. Can also be custom-wired using a universal harness and a Nexus R3 or R5 VCU. ...
    • TB45 Engine

      Information on the Nissan TB45 engine Haltech ECU Options Haltech has plug in ECU options for this model. https://www.haltech.com/product-category/nissan/patrol-y61/ General Information Cylinders 6 Displacement 4479 cc / 273.3 ci Firing Order ...
    • Engine Configuration

      Engine Configuration The Engine Configuration node contains basic configuration information about your engine. Engine Information Engine Capacity The Displacement of the engine. The units for Displacement are selected in the NSP software under ...
    • Engine Control Relay

      Engine Control Relay The Engine Control Relay function allows the Nexus ECU to control the 12V+ power supply to certain parts of the engine management, such as injectors and ignition coils.  This function should remain enabled when a Haltech supplied ...