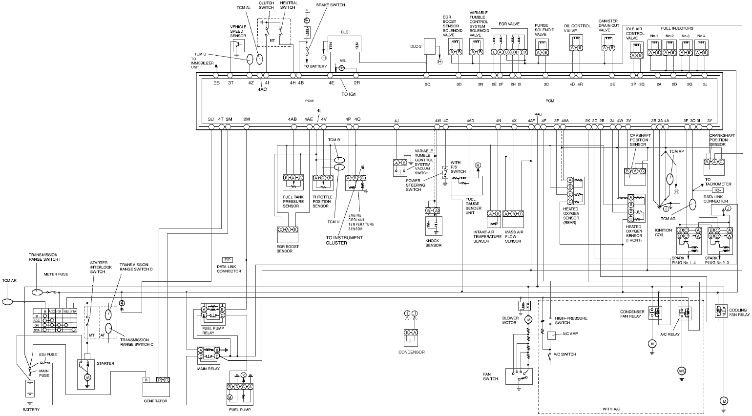
BP-Z3 (BP-VE) Engine 01-05 "NB2"

BP-Z3 (BP-VE) Engine 01-05 "NB2"

Information on the Mazda BP-Z3 (BP-VE VVT) engine as fitted to the MX5 Miata NB2 from 2000-2005.


BP-Z3 Engine. Easily identified by the VVT solenoid on the intake side of the valve cover



AUDM MX5 SP Turbo






General Information

Cylinders
4
Displacement
1839 cc / 12.2 ci
Firing Order
1,3,4,2




Common Models

Found in the 2000-2005 Mazda MX5 "Miata" NB2.
Compression increased from 9.5:1 to 10.0:1
MX5 SP in Australia has a factory fitted turbocharger








Sensor Information

Crank/Cam Sensor

This engines uses a Crank Position Sensor and a Cam Position Sensor.  The crank trigger wheel has 4x teeth on a plate bolted to the back of the inner belt pulley, with 2x opposite teeth slightly offset.  The cam trigger is on the rear of the inlet camshaft and has 3x teeth with 2x teeth 180 degrees apart and one of the teeth have a close extra tooth.


Crank Trigger plate



Cam Trigger on rear of the intake camshaft





Crank Sensor

A Hall Effect crank position sensor is used. This is located in the front of the engine towards the right hand side of the crankshaft and is held on by a single bolt.  This can come loose if bumped and allow the air gap to change.

  



Hall Effect Wiring
Pin
Description
Haltech Connection (Trigger 4-core)
A12V+ Switched
Red
BTrigger +
Yellow
CSignal Ground
Blue




Cam Sensor

A Hall Effect cam sensor is used. This is located on the top of the inlet valve cover towards the rear.



Hall Effect Wiring
Pin
Description
Haltech Connection (Home 4-core)
A12V+ Switched
Red
BTrigger +
Yellow
CSignal Ground
Blue









Ignition Coils and Igniter

This engine has Waste Spark ignition. There are two coils mounted directly on the spark plugs with one on Cylinder 4 which has a lead linked to Cylinder 1, and another coil on Cylinder 2 with a lead linked to Cylinder 3. The ignition coils feature an internal igniter.  These can be wired directly to the ECU.  Set to Waste Spark mode with Constant Charge with Falling Edge.


Pin
Description
Haltech Connection
AECU SignalIgnition Output
BGround To Cylinder Head---
C12V+ Switched---


Dwell Time












Throttle Position Sensor

This engine uses a cable operated throttle body with a position sensor.





Pin
Description
Haltech Connection
A - (Light Green/White)
5V+
5V+ (Orange)
B - (Black/Red)
Signal Ground
Signal Ground (Black/White)
C - (Green/Black)
TPS Signal
Spare AVI (AVI-10 White)






MAP Sensor

These engines do not come with a MAP sensor.
Use the internal MAP sensor that comes with your ECU.  For higher boost levels an external MAP sensor should be used instead, connected to a spare AVI.









Idle Valve

This engine uses a 2-pin BAC (Bypass Air Control) Valve which is duty controlled by the ECU via 1x output.


2-pin BAC Wiring
PinFunctionHaltech Connection
1Open SignalSpare Output
2Power12V+ Switched








Coolant Temperature

This engine has a 3-pin Coolant Temperature sensor.  2x pins are used for the ECU sensor, and the other pin is for the gauge sender and grounds through the block.




Pin
DescriptionHaltech Connection
ACTS SignalAny Spare AVI*
BSignal GroundSignal Ground
CGauge Sender Signal---
An AVI with a selectable Pullup should be used.  If not and external 1k pullup to 5V should be connected.









Air Temperature

This engine has an Intake Air Temperature sensor located in the OEM air filter housing.  If this is removed or the MAF is deleted then a new ATS shodl be added to the intake as close to the MAP sensor source location as possible.



Wiring is not polarity sensitive.
Pin
Haltech Connection
1Any Spare AVI*
2Signal Ground
An AVI with a selectable Pullup should be used.  If not and external 1k pullup to 5V should be connected.








Knock Sensor

This engine comes with an older style resonant knock sensor.  This can be used with the Haltech Elite 1000 and higher ECU however this style of sensor is known to be unreliable and not suitable for heavily modified engines. If issues are experienced it is recommended to move to a donut style non-resonant knock sensor.



Pin
Haltech Connection
AKnock Signal
BSignal Ground






MAF Sensor

Although most users of Haltech ECUs will be deleting the MAF, it is possible to use a MAF if you prefer.

Pin
Description
Haltech Connection
A (Black/Blue)Signal GroundSignal Ground (Black/White)
B (Pink)MAF SignalSpare AVI
C (White/Red)12V+---








O2 Sensors

This engine comes with Narrow Band O2 sensors.  These can be used for emissions related tuning however a Wideband O2 kit is required for normal engine tuning.

For correct operation a Haltech WB1 kit is highly recommended for this application, with the provided 4.9 sensors replacing the pre-cat sensors.  Sensors use a 22mm socket or spanner to remove and replace.









Variable Cams (S-VT Sequential Valve Timing)

The NB2 was available with and without S-VT depending on the model variant. The system itself comprises of the inlet cam position sensor located at the rear of the valve cover, a control solenoid located on the top of the inlet side of the valve cover towards the front of the engine, and the valve phasing mechanism located on the front of the inlet camshaft inside the engine covers that allows continous control.  This is supported by the Haltech Elite ECU via the Cam Control function.  The control solenoid requires 1x spare output and a 12V+ switched power source for the 2x pins.


A = Cam Position Sensor
B = Cam Control Solenoid
C = Cam Phase Mechanism









VTCS (Variable Tumble Control System)

This model has a set of throttle plates in the intake near to the inlet valves that close under cold startup (below 60C) and idle conditions (Below 1% TPS) to improve fuel and air mixing through increased tumbling of the air in the intake. This can be controlled by the Haltech ECU via a Generic Output with 12V+ Switched power for the other pin. 












Vehicle Speed Sensor

This engine uses a Reluctor Vehicle Speed sensor. This sensor signal is sent to the speedometer where it is converted to a digital Hall Effect style signal that is sent to the ECU. The Haltech ECU will read this signal and needs to be set as a Hall Effect sensor type with a Falling edge and Pullup will be Disabled.

If wiring directly to the sensor. Set to Reluctor with Falling edge
Pin
Description
Haltech Connection
1SignalAny Spare SPI
2Signal GroundSignal Ground

Approximate Calibration Pulses Setting: 2780 pulses/km









Alternator Control

This engine has an alternator that requires a high side drive duty signal to control the alternator charge voltage.  This is done by using a Stepper output from the Haltech ECU and setting the Active State and Drive Type to High.


Pin
Description
Haltech Connection
P (Grey)
Feedback Volts Signal for ECU
---
D (Grey/Red)
Duty Signal from ECU
Spare Stepper Output









Injector Data

Flow

The injector flow rate is measured with the injectors held wide open at 100% duty.  For fuel systems with a fixed regulator pressure (often returnless systems) that is not referenced to manifold pressure the flow needs to be mapped over Manifold Pressure for accurate tuning.

Injector Flow: 265 cc/min

Dead Time

When an injector is commanded to open for a certain amount of time, the dead time is the amount of time the injector is not actually open during this period.  It covers the time to energise the solenoid and begin to open and the time to close as well.  There are also transient periods during which the injector is opening and closing where fuel flow is not at full capacity so this lost peak flow period is also taken into account.  










OEM ECU Information


   

Location

The ECU is located under the passenger floor panel near the firewall.



ECU Pinout















Base Maps

Base maps have been created for use with the Haltech Elite Adapter Harnesses. 
To use these maps they should be IMPORTED into your ECU.  Follow the IMPORTING A BASE MAP guide.







    • Related Articles

    • Tuning with VE (Volumetric Efficiency)

      What is VE Volumetric Efficiency or VE is a measure of the actual amount of air that is moved through an engine vs the engine’s cubic capacity. You may have heard the saying that “an engine is just an air pump”, what that means is if we just forget ...
    • Tuning with VE (Volumetric Efficiency)

      What is VE Volumetric Efficiency or VE is a measure of the actual amount of air that is moved through an engine vs the engine’s cubic capacity. You may have heard the saying that “an engine is just an air pump” , what that means is if we just forget ...
    • BP-ZE Engine 94-97 "NA8"

      Information on the Mazda BP-ZE Engine as found in the NA8 MX5 Miata General Information Cylinders 4 Displacement 1839 cc / 112.2 ci Firing Order 1,3,4,2 Common Models Found in the MX5 Miata NA8 (Series 3) Sensor Information Crank/Cam Sensor This ...
    • BP-4W Engine 99-00 "NB1"

      Information on the Mazda MX5 Miata NB1 BP-4W engine General Information Cylinders 4 Displacement 1839 cc / 12.2 ci Firing Order 1,3,4,2 Common Models Found in the 1999-2000 Mazda MX5 "Miata" NB1 Sensor Information Crank/Cam Sensor This engines uses a ...
    • GM Alternator Control - VE Commodore

      Alternator Control for VE Commodores This alternator is similar to those used on earlier Commodore LS engines but features a PWM-controlled regulator instead. It can be identified by its connector — the earlier unit uses a larger connector compared ...