Coil Wiring (Pin 1 nearest locking tab)Coil Pin
| Function
| Haltech Connection
|
1
| ECU Signal
| Ignition Output (Yellow/xxxx)
|
2
| Ground to Cylinder Head
| ---
|
3
| 12V+ Ignition Switched
| ---
|
Dwell

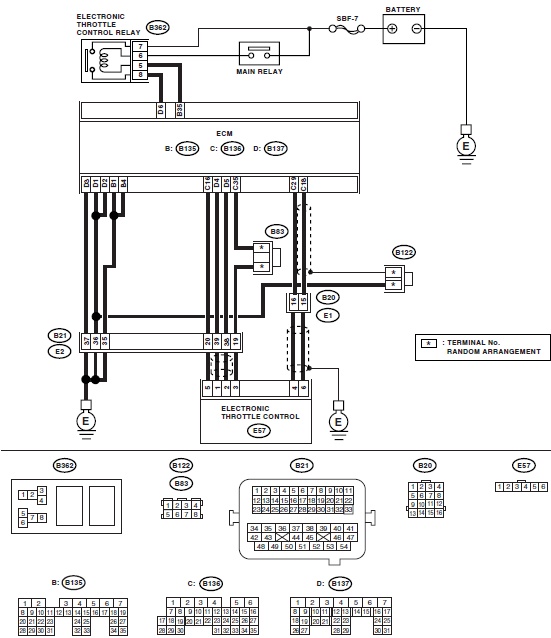
DBW Throttle System
Later models of this engine use a single Drive By Wire throttle body.
DBW Throttle Wiring
Position Sensors
Pin
| Description
| Haltech Connection
|
1
| Motor+ | DBW1 (Brown/Black) |
2
| Motor- | DBW2 (Brown/Red) |
| 3 | Signal Ground | Signal Ground (Black/White) |
| 4 | TPS2 | AVI-3 (Orange/Red) |
5 | 5V+ | 5V+ (Orange) |
6 | TPS1 | AVI-2 (Orange/Black) |
DBW Accelerator Pedal Position Sensors Connection
Pin
| Description
| Haltech Connection
|
1
| 5V+2 | 5V+ (Orange) |
2
| APP2 | AVI5 (Orange/Green)
|
3
| 5V+1 | 5V+ (Orange) |
4
| Signal Ground1 | Signal Ground (Black/White) |
5
| APP1 | AVI4 (Orange/Yellow)
|
6
| Signal Ground2 | Signal Ground (Black/White) |
Throttle Position Sensor
Early versions of this engine use a cable operated throttle body with a position sensor.
Pin
| Function
| Haltech Connection
|
1
| Power
| 5V+
|
2
| Ground
| Signal Ground
|
3
| Signal
| AVI |
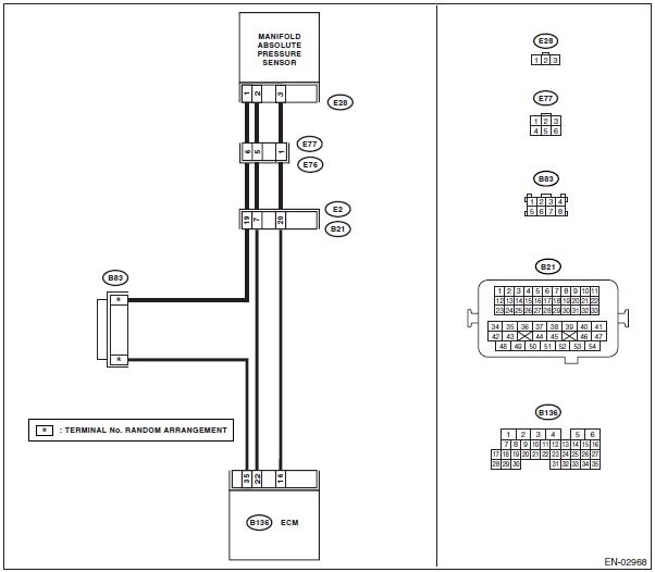
MAP Sensor
This vehicle comes with a MAP sensor. This is located
Pin
| Description
| Haltech Connection
|
1
| Signal Ground
| Signal Ground (Black/White)
|
2
| MAP Signal
| Spare AVI (AVI-9 Yellow)
|
3
| 5V+
| 5V+ (Orange)
|
If preferred you can use the internal MAP sensor that comes with your ECU. For even higher boost levels an external MAP sensor should be used instead, connected to a spare AVI.
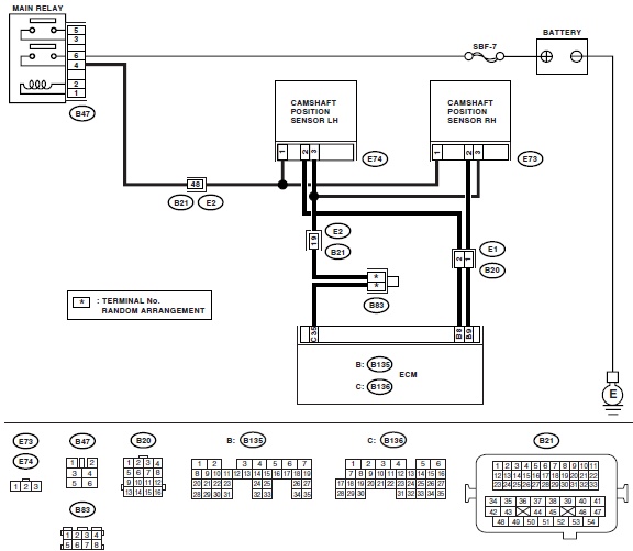
Variable Cams (AVCS)
This engine features continuously variable cam timing on the inlet cams named by Subaru as AVCS (Advanced Valve Control System). This is supported by the Haltech ECU as the Cam Control function.
Variable Cam Lift
This engine features continuously variable valve lift on the intake cams, named by Subaru as AVLS (Advanced Valve Lift System). This is supported by the Haltech ECU as the Cam Control Switched function.
Idle Valve
Later versions with DBW use the Drive By Wire Throttle to control idle speed.
Early versions have a 3-pin valve but only a single pin will be connected to the Haltech ECU. It is configured as a BAC 2-wire. Located on the throttle body.
Pin
| Function
| Haltech Connection
|
1
| Signal
| Spare Output
|
2
| 12V+ Switched
| ---
|
3
| Ground to Head
| ---
|
Coolant Temperature
Wiring is not polarity sensitive
Pin
| Haltech Connection
|
1
| Any Spare AVI*
|
2
| Signal Ground
|
An AVI with a selectable Pullup should be used. If not and external 1k pullup to 5V should be connected.
Air Temp
An Inlet Air Temperature sensor is incorporated in the MAF unit. If the MAF was been removed a replacement air temperature sensor should be installed as close as possible to the vacuum port used for the MAP sensor.
For wiring see the MAF Sensor section.
If an external Air Temperature Sensor is being installed wiring is as follows:
Pin
| Haltech Connection
|
1
| Any Spare AVI*
|
2
| Signal Ground
|
An AVI with a selectable Pullup should be used. If not and external 1k pullup to 5V should be connected.
Fuel Temperature
This engine has a Fuel Temperature sensor. This can be used with your Haltech ECU.
Wiring is not polarity sensitive.
Pin
| Haltech Connection
|
1
| Any Spare AVI*
|
2
| Signal Ground
|
An AVI with a selectable Pullup should be used. If not and external 1k pullup to 5V should be connected.
Oil Temperature
This engine has an Oil Temperature sensor. This can be used with your Haltech ECU.
Wiring is not polarity sensitive.
Pin
| Haltech Connection
|
1
| Any Spare AVI*
|
2
| Signal Ground
|
An AVI with a selectable Pullup should be used. If not and external 1k pullup to 5V should be connected.
Knock Sensor
This engine has 2x knock sensors. These can be use with the Elite 2500 ECU.
MAF Sensor
Although most users of Haltech ECUs will be deleting the MAF, it is possible to use a MAF if you prefer.
Pin
| Description
| Haltech Connection |
1
| 12V+ Switched | --- (Grey/Red) |
2
| Signal Ground | Signal Ground (Black/White) |
3
| MAF Signal | Spare AVI |
4
| Air Temp Signal | Spare AVI (AVI-7 Grey) |
5 | Signal Ground | Signal Ground (Black/White) |
O2 Sensors
This engine comes with a total of 4x Narrow Band O2 sensors. 2x per bank with a pre and post cat sensor. it is possible to use these sensors with a Haltech ECU however they are not so useful for engine tuning.
Adding a Haltech 2-channel Wideband WB2 Kit (highly recommended)
For correct operation a Haltech WB2 kit is highly recommended for this application, with the provided 4.9 sensors replacing the pre-cat sensors. Sensors use a 22mm socket or spanner to remove and replace.
Injector Data
Flow
The injector flow rate is measured with the injectors held wide open at 100% duty. For fuel systems with a fixed regulator pressure (often returnless systems) that is not referenced to manifold pressure the flow needs to be mapped over Manifold Pressure for accurate tuning.
Injector Flow: 260 cc/min
Dead Time
When an injector is commanded to open for a certain amount of time, the dead time is the amount of time the injector is not actually open during this period. It covers the time to energise the solenoid and begin to open and the time to close as well. There are also transient periods during which the injector is opening and closing where fuel flow is not at full capacity so this lost peak flow period is also taken into account.
ECU Pinout
Base Maps
Base maps have been created for use with the Haltech Elite Adapter Harnesses.
To use these maps they should be IMPORTED into your ECU. Follow the IMPORTING A BASE MAP guide.